新聞中心
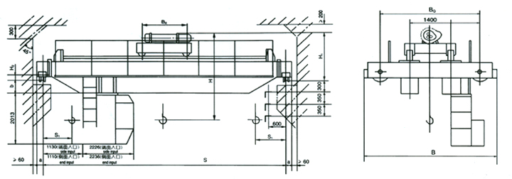
LH型電動葫蘆橋式起重機(5T)簡圖
作者:啟江起重
發布時間:2018-12-02
LH型電動葫蘆橋式起重機(5T)簡圖
| 額定起重量Fixed lifting weight | t | 5 | ||||||||||
| 操縱形式operation type | 地面操縱From floor;操縱室操縱Control in driver room | |||||||||||
| 速度 | 升起lift | m/min | 8;8/0.8 | |||||||||
| 小車運行handcart travel | 20 | |||||||||||
| 大車運行cart travel | 地面Floor | 20;30 | ||||||||||
|
操縱室 Driver Room |
30;45;60 | |||||||||||
| 起升lift |
型號/千瓦 Type/kw |
ZD141-4/7.5 | ||||||||||
| 小車運行handcart travel | ZDY21-4/0.8×2 | |||||||||||
| 大車運行cart travel | 地面Floor | ZDY22-4/1.5×2 | ||||||||||
|
操縱室 Driver Room |
ZDR12-4/1.5×2 | |||||||||||
| 電動葫蘆Electric Hoist | 型號Type | CD1;MD1 | ||||||||||
| 起升高度Lifting Height | m | 6;9;12;18;24;30 | ||||||||||
| 工作制度Working System | A5 JC=25% | |||||||||||
| 電源Power Supply | 3-PhaseA.C. 三項交流;50Hz;380v | |||||||||||
| 薦用鋼軌Steel Track | kg/m | 38 | ||||||||||
| 跨度Span | m | 7.5 | 10.5 | 13.5 | 16.5 | 19.5 | 22.5 | 25.5 | 28.5 | 31.5 | ||
| 最大輪壓 | t | 4.5 | 4.7 | 5.0 | 5.4 | 6.0 | 6.5 | 7.0 | 7.5 | 8.1 | ||
|
自重 weight |
地面操縱Floor | 6.7 | 8.88 | 10.06 | 11.68 | 13.18 | 15.60 | 18.22 | 20.48 | 23.42 | ||
|
操縱室開式 Driver Room Open Type |
7.2 | 9.28 | 10.56 | 12.08 | 13.68 | 16.00 | 18.72 | 20.88 | 23.92 | |||
|
操縱室閉式 Driver Room Close Type |
7.3 | 9.38 | 10.66 | 12.18 | 13.78 | 16.10 | 18.82 | 20.98 | 24.02 | |||
|
基本尺寸 Basic size |
B | mm | 4700 | 5200 | ||||||||
| BQ | 4000 | 4500 | ||||||||||
| BX | 1500(H=6~12);2000(H=18~30) | |||||||||||
| H1 | 1450 | |||||||||||
| H2 | 139 | |||||||||||
| H | 1451 | |||||||||||
| a | 120 | |||||||||||
| b | 27 | 77 | 177 | 277 | 327 | 422 | 522 | 622 | 722 | |||
免費獲取2019全新報價,詢價熱線:17315980007
相關文章






起重設備
手拉葫蘆

